O guia definitivo para motores de engrenagem helicoidal
Deixe um recado
Introdução
O motorredutor helicoidal é um tipo de dispositivo de transmissão amplamente utilizado nas áreas industrial e mecânica, que possui características de alta precisão, alto torque e função de travamento automático. Quer sejam usados para manutenção de carga em equipamentos de automação ou para fornecer suporte de energia suave em elevadores, correias de transmissão e outros cenários, as engrenagens helicoidais e os motores helicoidais têm demonstrado vantagens insubstituíveis. Porém, assim como outros motoredutores, este tipo de motor também apresenta algumas limitações, como perda de eficiência e problemas de desgaste.
A seguir, o VSD discutirá em profundidade a definição básica de motores de engrenagem helicoidal, funções, vantagens e desvantagens, e responderá a algumas perguntas comuns, como se eles podem se mover em ambas as direções, limites máximos de velocidade e como reduzir o ruído operacional. Além disso, compartilharemos conselhos sobre como escolher o fabricante certo, para fornecer a você uma compreensão abrangente dos motores de engrenagem helicoidal e fornecer um suporte sólido. Seja você um técnico especialista na área industrial, ou um engenheiro que acabou de ter contato com esse tipo de motor, acredito que este artigo pode inspirar e ajudar você!
Tópico do artigo:
O que é um motor de engrenagem helicoidal?
Qual é a função de um motor de engrenagem helicoidal?
Quais são as vantagens de um motorredutor sem-fim?
Quais são as limitações de um motor de engrenagem helicoidal?
Um motor de engrenagem helicoidal pode se mover em ambas as direções?
Qual é a velocidade máxima de um motor de engrenagem helicoidal?
Como um motor de engrenagem helicoidal reduz o ruído?
Um motorredutor sem-fim apresenta lacunas nos dentes?
Fabricantes de motores de engrenagem helicoidal?
O motor de engrenagem helicoidal é um tipo de dispositivo mecânico usado para transferir energia, seus componentes principais são conhecidos pela turbina e pelo mecanismo de desaceleração helicoidal. Através do engrenamento da engrenagem helicoidal e da engrenagem helicoidal, ele pode efetivamente converter a alta velocidade do motor em uma velocidade mais baixa e, ao mesmo tempo, produzir mais torque. No campo da transmissão de energia e controle de movimento, engrenagens helicoidais e motores helicoidais têm sido amplamente utilizados, cobrindo quase todos os tipos de sistemas de transmissão mecânica.
Os motores sem-fim podem ser vistos em todos os lugares em navios, automóveis, locomotivas, equipamentos pesados na área de construção e máquinas de processamento industrial e equipamentos de automação. Mesmo em eletrodomésticos, relógios e outros itens de uso diário, também desempenha um papel importante. Quer seja a cena que requer transmissão de alta potência, ou a transmissão angular com carga precisa e pequena, a roda sem-fim e o motor sem-fim podem atender a demanda. Sua função de desaceleração e capacidade de elevação de torque o tornam uma escolha importante para regulação de velocidade e torque na indústria, e é amplamente utilizado em vários equipamentos de conversão de velocidade e torque.
Os motores de engrenagem helicoidal têm recebido muita atenção por sua capacidade de atingir altas taxas de redução em acionamentos independentes. Ele pode reduzir efetivamente a velocidade em espaços compactos e, ao mesmo tempo, aumentar significativamente o torque de saída, tornando-o ideal para aplicações com espaço limitado que exigem alto torque. Esse recurso é particularmente adequado para aplicações onde é necessário controle preciso de velocidade e torque, como elevadores, equipamentos de automação e outros equipamentos que exigem alta potência e operação estável.
Através da rotação do sem-fim para acionar a operação da engrenagem helicoidal, o motor da engrenagem helicoidal para obter uma transmissão mecânica eficiente. Além de desacelerar e aumentar o torque, também apresenta as vantagens de operação suave, baixo ruído, baixa vibração, etc., o que é muito adequado para uso em ambientes que requerem posicionamento de alta precisão ou controle de ruído. Ao mesmo tempo, seu design compacto e desempenho eficiente fazem com que ele desempenhe um papel insubstituível na automação industrial e na transmissão mecânica diária, além de ser uma escolha confiável para regulação de velocidade e torque.
Os motorredutores helicoidais podem não apenas fornecer transmissão de energia eficiente em um espaço compacto, mas também atender às necessidades de uma variedade de indústrias em termos de estabilidade, potência potente e controle preciso, o que é uma parte importante dos modernos sistemas de transmissão mecânica.
Alta taxa de transmissão
Os motores de engrenagem helicoidal possuem uma ampla gama de relações de transmissão, até 300:1. Esta alta relação de transmissão proporciona grande flexibilidade para ajuste de velocidade e conversão de potência e é ideal para muitos sistemas mecânicos complexos.
Saída de alto torque
Os motores de engrenagem helicoidal podem atingir um forte torque de saída em unidades pequenas para atender aos requisitos de alta carga. Esta característica o torna particularmente adequado para aplicações que requerem alta conversão de torque, como máquinas industriais e equipamentos pesados.
Design compacto
Os motorredutores sem-fim são mais compactos e ocupam menos espaço do que os sistemas de engrenagens convencionais, tornando-os ideais para uso em ambientes onde o espaço de instalação é limitado. Especialmente em grandes sistemas de transmissão que exigem uma alta taxa de redução, muitas vezes é a solução preferida.
Função de travamento automático
O motor de engrenagem helicoidal tem excelente desempenho de travamento automático. Na ausência de energia, quando o ângulo de atrito estático for maior que o ângulo espiral do sem-fim, a engrenagem sem-fim travará automaticamente. Este recurso é muito prático em aplicações onde a posição precisa ser mantida estável, como elevadores ou dispositivos de posicionamento de precisão.
Os motores sem-fim e sem-fim funcionam bem em muitas aplicações, mas os usuários precisam fazer um bom equilíbrio entre eficiência, desgaste e custos de manutenção para garantir que seus casos de uso tragam o melhor do dispositivo.
Baixa eficiência
Os motores sem-fim são geralmente menos eficientes do que outros redutores. Isso ocorre porque o atrito deslizante entre a engrenagem helicoidal e a engrenagem helicoidal faz com que a energia seja perdida na forma de calor. A eficiência geralmente fica entre 50% e 90%, dependendo do design e do material.
Problemas de calor e desgaste
Como a superfície de contato entre o sem-fim e a engrenagem sem-fim no acionamento da engrenagem sem-fim produz uma grande velocidade de deslizamento relativa, esse deslizamento não apenas causa o aquecimento do dispositivo, mas também acelera o desgaste das peças. No caso de operação contínua com cargas elevadas, este problema é particularmente óbvio.
Altos requisitos de manutenção
Os sistemas de engrenagens helicoidais desgastam-se relativamente rapidamente, especialmente em condições de trabalho adversas ou aplicações com grandes cargas. As peças precisam ser substituídas e mantidas regularmente, o que não só aumenta o custo de manutenção, mas também pode prolongar o tempo de inatividade do equipamento, afetando assim a eficiência da produção.
Sim, se for necessário em aplicações práticas, pode ser conseguido através de um design especial.
Em circunstâncias normais, o motorredutor sem-fim não é capaz de realizar acionamento reverso, o que é determinado levando-se em consideração suas características de autotravamento, sendo esta característica uma vantagem em aplicações que exigem estabilidade de posição ou evitam rotação, por exemplo, em equipamentos de elevação ou dispositivos de posicionamento, o mecanismo de engrenagem helicoidal pode manter o estado estático da carga após a queda de energia do motor, sem dispositivos de frenagem adicionais.
Portanto, se você pode alcançar o movimento bidirecional, que depende das necessidades reais da aplicação e do esquema de projeto, na necessidade de ocasiões de acionamento bidirecional, os engenheiros podem otimizar o projeto para atender a esta função, mas também pode sacrificar parte do função de travamento automático ao custo.
Não existe um valor fixo para a velocidade máxima do motorredutor de rosca sem-fim, pois depende do modelo e design específico do motor. Motores de redução de engrenagem helicoidal são geralmente usados para reduzir a velocidade e aumentar o torque, e a faixa de velocidade pode variar dependendo da velocidade original do motor e da velocidade de saída desejada. Por exemplo, um redutor de engrenagem helicoidal da VSD tem uma taxa de redução máxima de 1620:1, portanto a velocidade do eixo de entrada pode ser de 9720 rpm/min e a velocidade do eixo de saída pode ser de 6 rpm/min.
Portanto, se você deseja saber a velocidade máxima de um motorredutor de rosca sem-fim, é recomendável verificar as especificações técnicas do seu motor, ou entrar em contato com o fabricante para obter informações precisas.
Os motores de engrenagem helicoidal podem emitir ruído durante a operação devido ao atrito e à vibração, mas o ruído pode ser significativamente reduzido e a suavidade e o conforto da operação podem ser melhorados pelos seguintes métodos:
1. Otimize o design
Os fabricantes podem reduzir o ruído através da otimização avançada do projeto. Por exemplo, ao mesmo tempo que garante a precisão da costura do dente, o perfil de malha da engrenagem helicoidal e da engrenagem helicoidal é otimizado para tornar o contato cada vez mais suave, reduzindo assim o ruído causado por choques e vibrações durante a operação. Isto requer um alto nível de tecnologia e experiência de fabricação, mas pode melhorar significativamente o desempenho geral do equipamento.
2. Atualize seu sistema de lubrificação
O uso de lubrificantes de alta eficiência ou lubrificantes especiais pode reduzir o atrito quando o sem-fim engata na roda sem-fim e reduzir o ruído da fonte. Ao mesmo tempo, a manutenção regular do sistema de lubrificação para garantir a qualidade e adequação do lubrificante também pode reduzir eficazmente a geração de ruído.
3. Medidas de isolamento acústico
Instale uma proteção acústica ao redor do motor ou use materiais de isolamento acústico para revestir a parte externa do motor, que possam absorver e isolar o ruído gerado pela operação mecânica. Além disso, a seleção de materiais com melhor isolamento acústico para a confecção da carcaça do motor também pode reduzir ainda mais a transmissão de ruído.
Sim, a turbina e a rosca sem-fim do motor de engrenagem sem-fim precisam ter folga. Tal projeto não é uma falha, mas uma parte essencial do bom funcionamento do motor.
A presença de folga ajuda a evitar o travamento entre as engrenagens e reduz o atrito durante a operação, evitando superaquecimento e desgaste excessivo. Se a folga for insuficiente, a engrenagem travará, aumentará o atrito e até causará problemas de superaquecimento. O arranjo de folga razoável pode não apenas alcançar uma transmissão de energia eficiente, mas também evitar desgaste e falhas causadas pelo contato excessivo das superfícies dos dentes.
Nesse sentido, a VSD, com mais de dez anos de experiência em fabricação e tecnologia avançada de equipamentos, nos permite fornecer o projeto de folga ideal para motores de engrenagem helicoidal. Ao mesmo tempo que garante que a folga atenda às necessidades de transmissão de energia, melhora ainda mais o desempenho do motor e a estabilidade de operação, além de trazer uma experiência de alta qualidade aos clientes.
Escolher o fabricante certo de engrenagens helicoidais e motores helicoidais é fundamental para garantir o desempenho e a confiabilidade do produto. Ao escolher o fornecedor certo, considere o seguinte:
1. Força técnica e capacidade de produção
Excelentes fabricantes geralmente possuem equipamentos de produção avançados e rica experiência técnica, podem projetar e fabricar motores de engrenagem helicoidal para atender a diferentes necessidades. Esses fabricantes podem não apenas fornecer produtos padronizados, mas também fornecer soluções personalizadas de acordo com as necessidades especiais dos clientes.
2. Controle de qualidade e certificação
Fabricantes confiáveis implementarão rigorosamente o sistema de gestão da qualidade, como ISO9001, etc., para garantir a alta qualidade de cada motor. Além disso, possuir uma certificação internacional (como CE, RoHS, etc.) pode garantir que o produto atenda aos padrões de segurança e proteção ambiental do mercado global.
3. Gama e diversidade de produtos
Fabricantes de qualidade geralmente oferecem uma gama diversificada de produtos, incluindo motores de engrenagem helicoidal com diferentes especificações, potências, relações de transmissão e cenários de aplicação, para atender a uma ampla gama de necessidades do mercado.
4. Suporte e serviço pós-venda
Um bom fornecedor não apenas fornece produtos, mas também oferece um serviço pós-venda perfeito, incluindo suporte técnico, reparo e substituição de produtos, etc., para garantir que os clientes não se preocupem durante o uso.
5. Capacidade de personalizar
Em algumas aplicações especializadas, os produtos padronizados podem não atender às necessidades. Fabricantes de qualidade fornecerão serviços flexíveis de customização, como ajuste da relação de transmissão, otimização do tamanho, alteração do material da carcaça, etc., para atender às necessidades específicas do cliente.
1. Força
Fundada em 2011, a área da fábrica é superior a 10,000 metros quadrados e a produção diária é superior a 200,{4}} unidades.
Está equipada com mais de 40 linhas de montagem e mais de 300 conjuntos de equipamentos de automação para garantir uma produção eficiente.
2. Personalização profissional
Equipe independente de P&D, mais de 30 funcionários de P&D, para atender às necessidades diversificadas dos clientes.
Mais de 90% dos clientes escolhem serviços personalizados para dar suporte a pedidos OEM/ODM.
3. Garantia de qualidade
Através da ISO 9001:2015, IATF16949:2016 e outras certificações internacionais de qualidade.
Produtos através de ruído, à prova d'água, vida, colisão, névoa salina e muitos outros testes rigorosos.
4. Equipamento avançado
Equipado com caixa de balanço automática a laser, máquina de balanceamento automático, bobinadeira automática e outros equipamentos modernos.
Possui instrumentos de teste completos, incluindo torção, vibração, sistema de detecção de vazamentos, etc.
5. Serviço abrangente
Defina produção, pesquisa e desenvolvimento, qualidade e gerenciamento em um só, para fornecer uma solução abrangente.
Uma equipe de engenheiros profissionais fornece suporte técnico e sugestões de otimização.
Saber mais:Fabricante de motor de engrenagem VSD DC há mais de 10 anos
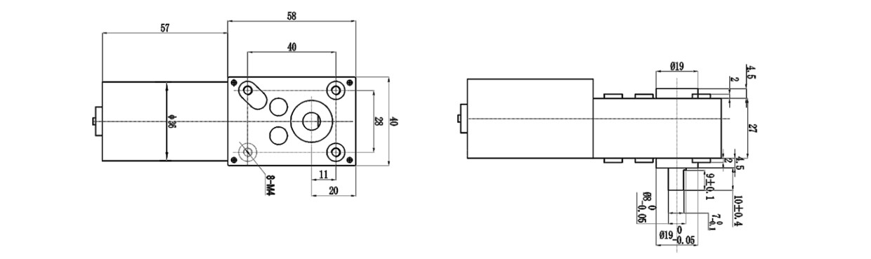
Introdução do motor turboworm VSD
| Imagem do produto |
|
|
|
||||
| Modelo do motor | VSD-N20 | VSD-32W2430 | VSD-58W3657 | ||||
| TENSÃO | FAIXA DE OPERAÇÃO | 8~16 | 18~26 | 8~16 | 18~26 | 8~14.4 | 22~26 |
| NOMINAL V |
12 | 24 | 12 | 24 | 12 | 24 | |
| SEM CARGA | VELOCIDADE rpm |
710 | 1546 | 25 | 50 | 5.29 | 11.6 |
| ATUAL A |
0.064 | 0.061 | 0.09 | 0.087 | 0.35 | 0.35 | |
| COM EFICIÊNCIA MÁXIMA | VELOCIDADE rpm |
544 | 1213 | 19 | 42 | 4 | 9 |
| ATUAL A |
0.165 | 0.233 | 0.313 | 0.426 | 0.869 | 1.229 | |
| TORQUE mN.m |
14.985 | 25.133 | 437.936 | 692.477 | 3197.82 | 5415.105 | |
| SAÍDA W |
0.803 | 3.193 | 0.891 | 3.028 | 1.263 | 5.12 | |
| COMEÇANDO | TORQUE mN.m |
53.578 | 116.668 | 1962 | 4100.58 | 11140.506 | 24436.119 |
| ATUAL A |
0.424 | 0.849 | 1.09 | 2.096 | 2.159 | 4.318 | |
| Design de produto |
|
|
|
||||
| Desempenho do produto |
|
|
|
||||
















